S62 B50 Öldruckschalter
Hallo zusammen,
ich bin momentan an der elektrik dran (S62B50-> E30 320 Cabrio), eigentlich keine große Sache bis auf folgendes:
Hier auf der Seite ist für den Öldruck beschrieben, das vom X60004 Pin 11 mit Pin 5 Motorstecker E30 verbunden werden soll.
![[image]](images/uploaded/201807011954045b39315c1048a.jpg)
Das kurisose ist aber, das kein Anschluss am Motorkabelbaum für den Öldruckschalter an der Ölfilterpatrone vorhanden ist. Demnach könnte kein Signal, von der DME am KI (Öldrucklampe im Tacho), übertragen werden.
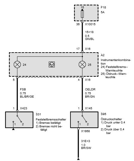
Laut WDS-Schaltplan (E39 M5)wird der Öldruckschalter direkt am KI angeschlossen bzw. hängt am Kabelbaum des KI's.
![[image]](images/uploaded/201807012007145b393472d54b0.jpg)
Meine Frage ist nun, soll ich wie oben beschrieben X60004 Pin 11 mit Pin 5 Motorstecker E30 verbinden und zusätzlich eine direkte Leitung vom Öldruckschalter (Ölfilterpatrone) zum Pin 5 (E30 Motorstecker)?
Oder soll ich nur Öldruckschalter mit Pin 5 verbinden?
Hoffe mir kann jemand helfen
schöne Grüße
Artan

![[image]](images/uploaded/201807012215255b39527dbafec.jpg)
