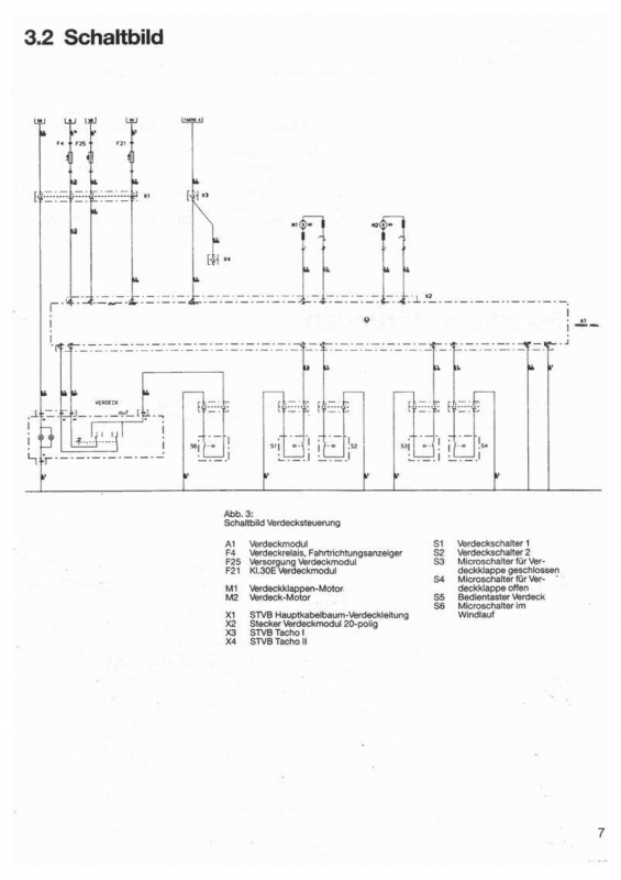
Schaltplan Verdeck
hier ist noch ein Schaltplan vom EM-Verdeck. Leider hat er keine gute Auflösung.
Falls einer einen besseren Schaltplan hat, wäre es schöne wenn er diesen hier hoch laden könnte.
![[image]](images/uploaded/201804172043045ad65c588f0c8.jpg)
gesamter Thread:
- elektrisches Verdeck E 30 Baujahr 1992 -
schmitzel,
17.04.2018, 13:24
- elektrisches Verdeck E 30 Baujahr 1992 -
Schraubenlinksrumfestzieher,
17.04.2018, 15:32
- elektrisches Verdeck E 30 Baujahr 1992 -
msw68,
17.04.2018, 15:53
- elektrisches Verdeck E 30 Baujahr 1992 - Schraubenlinksrumfestzieher, 18.04.2018, 07:28
- elektrisches Verdeck E 30 Baujahr 1992 -
msw68,
17.04.2018, 15:53
- elektrisches Verdeck E 30 Baujahr 1992 - msw68, 17.04.2018, 15:37
- Schaltplan Verdeck -
msw68,
17.04.2018, 22:43
- Schaltplan Verdeck -
Schraubenlinksrumfestzieher,
18.04.2018, 07:36
- Schaltplan Verdeck - msw68, 18.04.2018, 08:20
- Schaltplan Verdeck -
Schraubenlinksrumfestzieher,
18.04.2018, 07:36
- elektrisches Verdeck E 30 Baujahr 1992 -
juergen elsner,
18.04.2018, 07:33
- elektrisches Verdeck E 30 Baujahr 1992 - schmitzel, 22.04.2018, 14:56
- elektrisches Verdeck E 30 Baujahr 1992 -
Schraubenlinksrumfestzieher,
17.04.2018, 15:32
